#headline857

Kochsdorfer Weg 41

Spremberg

Sehr geehrte Leserinnen und Leser,

wir freuen uns, dass wir Ihnen heute ein weiteres großartiges Projekt aus unserem Sanierungs- und Modernisierungsfahrplan vorstellen dürfen.

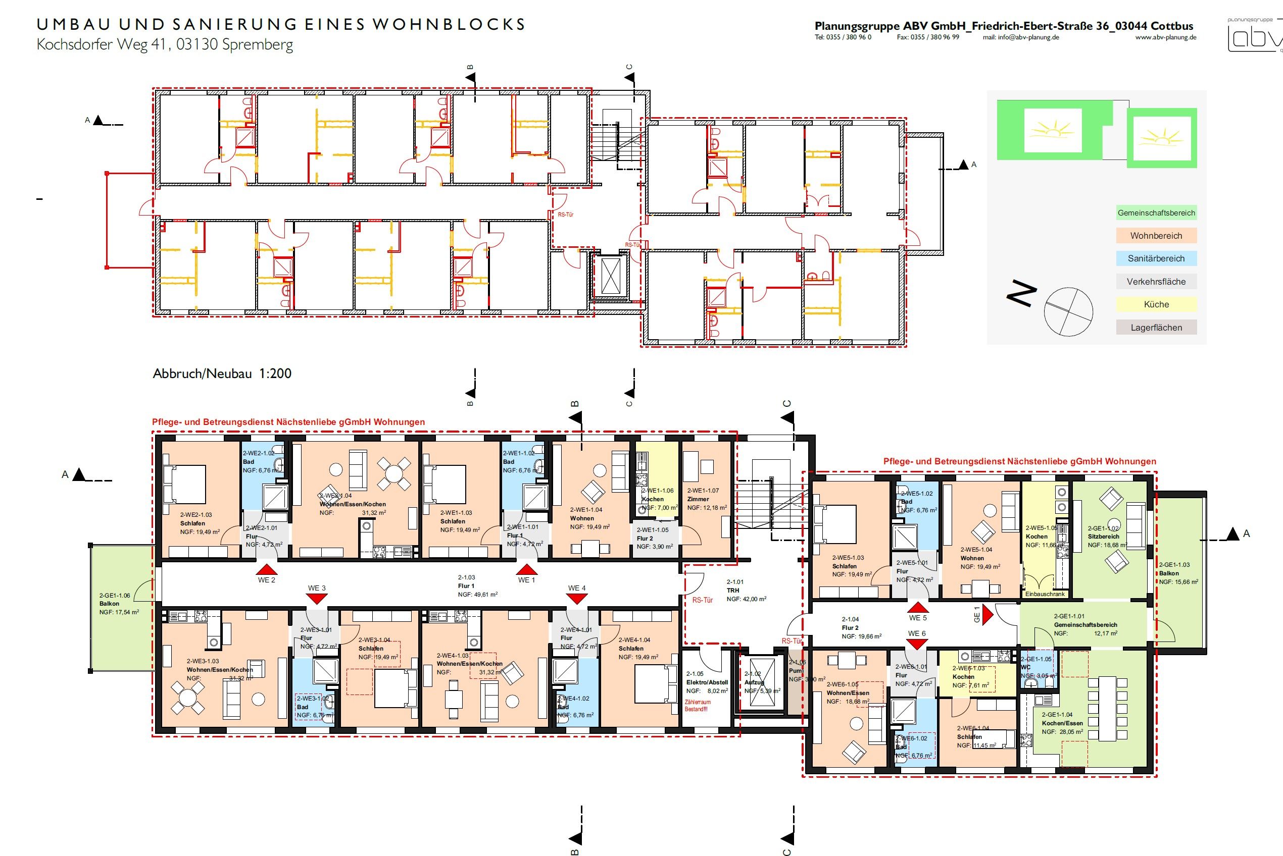
Mit dem Umbau des Mehrfamilienhauses im Kochsdorfer Weg 41 reagiert die GeWoBa auf die aktuelle Bevölkerungs- und Mieterstatistik und passt ihre Objekte sukzessive an den Bedarf unserer Mieterinnen und Mieter an.

Wir werden dazu im Mai 2024 die Baugenehmigung für die Komplexmodernisierung des Kochsdorfer Weg 41 einreichen und noch im Sommer mit den Fassadenarbeiten, also mit der Dämmung der Außenfassade, beginnen. Im Januar 2025 startet dann der Innenausbau. Dabei wird u. a. eine Strangsanierung, bei der alle Leitungen ausgetauscht werden, durchgeführt. Weiterhin werden eine neue Fernwärmestation und ein neuer Aufzug eingebaut, die Grundrisse neugestaltet und so moderne, barrierefreie 2-Zimmer-Appartements geschaffen.

Im Anschluss wird das Außengelände neugestaltet.

Ein regionaler Pflegedienst wird in das Objekt integriert und „betreutes“ Wohnen anbieten. Somit schaffen wir eine Wohnform zwischen einer Mietwohnung und einem Pflegeheim. Dabei können die Mieter weiterhin ein selbstbestimmtes Leben führen, bei Bedarf aber die Unterstützungsangebote annehmen.

Aktuell prüfen wir, ob in die unteren Etagen ein Kinder- und Jugendhilfeträger einziehen kann. Geplant sind dann betreute Wohngruppen sowie weitere Betreuungs- und Beratungsangebote. Somit würden sich tolle Synergien ergeben und ein von der GeWoBa bevorzugtes Mehrgenerationenwohnen ermöglicht werden. Damit sich die verschiedenen Generationen begegnen können, würden Gemeinschaftsplätze eingerichtet und daneben entsprechende Rückzugs- sowie private Bereiche geschaffen werden. Gemeinschaftsküchen sind ebenso angedacht wie Gemeinschaftsräume mit großzügigen Balkonen an den Stirnseiten.

Anfang 2026 soll das Haus entweder als reines barrierefreies Wohnobjekt für Senioren oder als Mehrgenerationenhaus bezugsfertig sein.

 

Ihr GeWoBa-Team

 

Aktualisierung per 04/2025:

Anpassung Nutzungskonzept – Das Mietobjekt „Kochsdorfer Weg 41“ wird ein barrierearmes Wohnobjekt für Senioren

Aufgrund der Anpassung des Betreiberkonzeptes und der dadurch notwendigen Anpassung der Baugenehmigungs- und Ausschreibungsunterlagen konnten wir die endgültige Baugenehmigung erst im April 2025 entgegennehmen. Somit war eine entsprechende Anpassung des Bauablaufes notwendig.

Wir haben im Januar 2025 mit den Entkernungsarbeiten begonnen. Fortfolgend wird bis Endes des Jahres der Innenausbau erfolgen.

Geplant ist nunmehr, mit dem Austausch der Fenster und den Fassadenarbeiten Ende des II. / Anfang des III. Quartals zu beginnen.

 

Ihr GeWoBa-Team